пластины для сверл при обработке неметаллических материалов ...
пластины для зенкеров при обработке глухих отверстий и ...
Сплав ВК8, Т15К6, Т5К10 пластины для зенкеров при ...
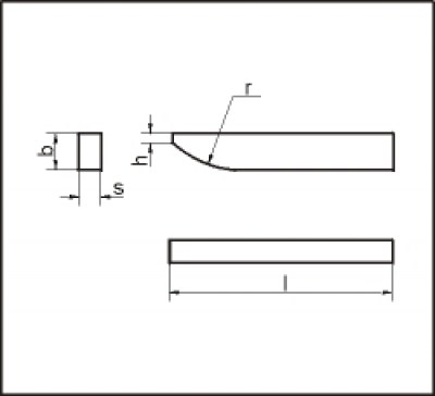
пластины для разверток (ГОСТ 25425-90) Сплавы: ВК8, Т15К6, ...
применяются для сверл глубокого сверления (ГОСТ ...
пластины для направляющих к сверлам глубокого сверления ...
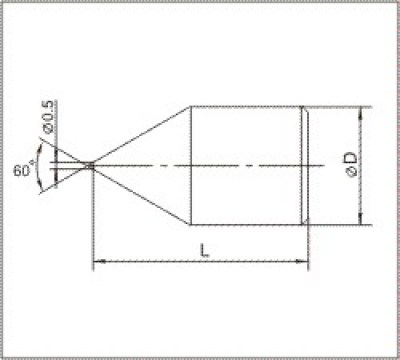
центры к токарным и круглошлифовальным станкам Сплавы: ...
Продукция АО "КЗТС"
Каталоги КЗТС, SECO.
Сплавы по производителям.
Документы, ГОСТы