Описание
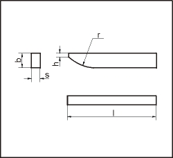
Обозначение b, мм h1(рпед.откл.+0.4), мм L, мм r, мм s, мм Цена р.
(без НДС)
26010 2.0 0.8 12 25 0.8 2,32
26030 2.5 1.0 16 25 1.2 4,88
26050 3.0 1.0 19 25 1.4 7,26
26070 3.5 1.4 22 25 1.8 9,80
26090 4.0 1.4 25 25 2.2 16,88
26130 5.0 1.4 30 25 2.8 28,90
26250 5.0 2.0 32 31.5 3.0 33,84

 Информация о цене - справочная, не является офертой.