PNUA(10113), PNMA(10123), PNEA(10153) 2
PNMA-110408

PNUA(10113), PNMA(10123), PNEA(10153)

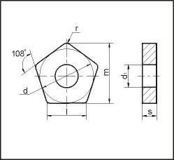
Пластины пятигранной формы с отверстием (ГОСТ 19064-80)

Сплавы: H10, H30, B35, BP35AM, TP40AM, HP10AM, HP30AM, TP20AM, B25, H20, T25, T40, A10*

Справочная информация по сплавам КЗТС.


Описание
Название L, мм d, мм d1, мм s, мм r, мм m, мм Обозначение буквенно-цифровое Цена р.
(без НДС)
10113-110408 11.5 15.875 6.35 4.76 0.8 17.562 PNUA-110408 83,39
10113-130412 13.8 19.050 7.93 4.76 1.2 21.019 PNUA-130412 112,56
10113-130612 13.8 19.050 7.93 6.35 1.2 21.019 PNUA-130612 144,50
10113-160612 16.1 22.200 7.93 6.35 1.2 24.541 PNUA-160612 205,36
10123-110408 11.5 15.875 6.35 4.76 0.8 17.562 PNMA-110408 101,96
10123-130412 13.8 19.050 7.93 4.76 1.2 21.019 PNMA-130412 138,42
10123-130612 13.8 19.050 7.93 6.35 1.2 21.019 PNMA-130612 177,74
10123-160612 16.1 22.200 7.93 6.35 1.2 24.541 PNMA-160612 252,52
10153-110408 11.5 15.875 6.35 4.76 0.8 17.562 PNEA-110408 133,89
10153-110416 11.5 15.875 6.35 4.76 1.6 17.375 PNEA-110416 133,89
10153-130412 13.8 19.050 7.93 4.76 1.2 21.019 PNEA-130412 181,06
10153-130420 13.8 19.050 7.93 4.76 2.0 20.832 PNEA-130420 181,06
10153-130612 13.8 19.050 7.93 6.35 1.2 21.019 PNEA-130612 241,74
10153-130620 13.8 19.050 7.93 6.35 2.0 20.832 PNEA-130620 241,74

 Цены сплава Н30

Информация о цене - справочная, не является офертой.