DNMA(13123) 2

DNMA(13123)

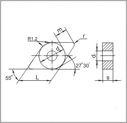
Пластина ромбической формы с углом 55 градусов и отверстием (ГОСТ 24255-80)

Сплавы: B35, H10, H30, T20, T40, TP40AM, TC40PT

Справочная информация по сплавам КЗТС.

Описание
Цифровое обозначение d, мм d1, мм L, мм r, мм s, мм m, мм Обозначение буквенно-цифровое Цена р.
(без НДС)
13123-150408* 12.700 5.16 15.5 0.8 4.76 6.478 DNMA-150408* AP10AM 160.05
13123-150608* 12.700 5.16 15.5 0.8 6.35 6.478 DNMA-150608* AP10AM 226.65
13123-150612* 12.700 5.16 15.5 1.2 6.35 6.015 DNMA-150612* BC20HT 226.65

 Информация о цене - справочная, не является офертой.