HNUM(11114) 2

HNUM(11114)

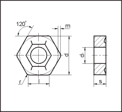
Пластины шестигранной формы с отверстием и стружколомающими канавками (ГОСТ 19068-80)

Сплавы: H30, H10, T40, B35, H20

Справочная информация по сплавам КЗТС.

Описание
Цифровое обозначение d, мм d1, мм L, мм r, мм s, мм m, мм Обозначение буквенно-цифровое Цена р.
(без НДС)
11114-090408 15.875 6.35 9.1 0.8 4.76 1.106 HNUM-090408 75.41
11114-110412 19.050 7.93 11.0 0.8 1.2 1.290 HNUM-110412 101.41
11114-110612 19.050 7.93 11.0 0.8 1.2 1.290 HNUM-110612 137.68
11114-120612 22.200 7.93 12.8 1.2 1.2 1.534 HNUM-120612 195.80

 Цены сплава Н30

Информация о цене - справочная, не является офертой.