Описание
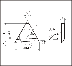
Название B, мм d, мм E, мм H, мм L, мм s, мм Цена р.
(без НДС)
2009-0065 20.7 12.700 10.4 2.3 15.6 2.38 48,39

 Информация о цене - справочная, не является офертой.