Твердосплавные пластины в Омске
Твердосплавные пластины
Пластины сменные
Токарные многогранные пластины
Фрезерные многогранные пластины
Опорные пластины
Обработка колесных пар и рельсов
Обработка фасок
Пластины напаиваемые
Токарные
Фрезерные
Для зенкеров, сверл, разверток
Державки
Для наружной обработки
Для внутренней обработки
Заготовки
Заготовки для монолитного инструмента
Плавиковый шпат
Плавиковошпатовый концентрат, марка ФФ-92
Раскрыть меню...
Скрыть меню
Sidebar
×
Главная
Заказать
Контакты
Каталоги
Каталоги КЗТС
Каталоги SECO
Применяемые сплавы
Техническая информация
Спецпредложение
Закупки
Пластины твердосплавные
Пластины сменные
Токарные многогранные пластины
Фрезерные многогранные пластины
Опорные пластины
Обработка колесных пар и рельсов
Обработка фасок
Пластины напаиваемые
Токарные
Фрезерные
Для зенкеров, сверл, разверток
Державки
Для наружной обработки
Для внутренней обработки
Заготовки
Заготовки для монолитного инструмента
Плавиковый шпат
Плавиковошпатовый концентрат, марка ФФ-92
Главная
Заказать
Контакты
Каталоги
Каталоги КЗТС
Каталоги SECO
Применяемые сплавы
Техническая информация
Спецпредложение
Закупки
Главная
Продукция КЗТС
Напаиваемые пластины для деревообработки
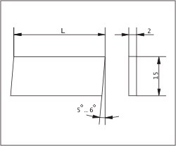
Форма 07Д
Форма 06Д
Прямоугольная
Вернуться к: Напаиваемые пластины для деревообработки
Форма 07Д
применяется для деревообработки, для ножей к сборным фасонным фрезам (ГОСТ 13834-77)
Задайте вопрос по этому товару
Описание
Reviews
Описание
Название
L, мм
Цена р.
(без НДС)
3001-0087
35
0
3001-0088
40
0
3001-0089
45
0
3001-0090
55
0
Твердосплавные пластины, державки, фрезы.
Продукция АО "КЗТС"
Техническая информация
Каталоги производителей
Каталоги КЗТС, SECO.
Подбор сплава
Сплавы по производителям.
Документация
Документы, ГОСТы
Главная
Продукция КЗТС
Напаиваемые пластины для деревообработки
Форма 07Д