DNMG(13125) 2

DNMG(13125)

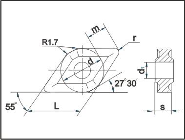
Пластина ромбической формы с углом 55 градусов, отверстием и стружколомающими канавками на двух сторонах (ГОСТ 24257-80)

Сплавы: B35, TC40PT, T40, H30, H10, TC20PT

Справочная информация по сплавам КЗТС.

Описание
Цифровое обозначение d, мм d1, мм L, мм r, мм s, мм m, мм Обозначение буквенно-цифровое Цена р.
(без НДС)
13125-150408* 12.700 5.16 15.5 0.8 4.76 6.478 DNMG-150408 Н30 72.71
13125-150608* 12.700 5.16 15.5 0.8 6.35 6.478 DNMG-150608 TC40PT 217.08

Информация о цене - справочная, не является офертой.