S-DDUNR-L 2
S-DDUNR-L 3

Державка S..-DDUNR/L

Державка для внутренней обработки.
Прижим повышенной жёсткости.
Главный угол в плане 93°
Описание
Обозначение державки

Применяемая режущая пластина

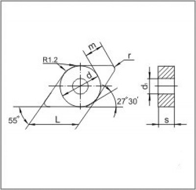
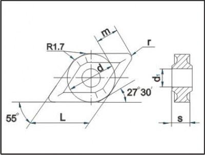
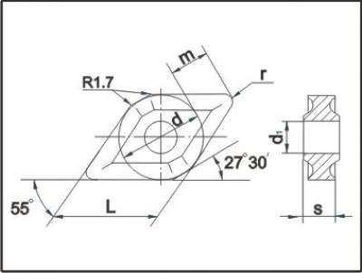
Размеры, в мм.

Цена за шт. без НДС 
d D f L
S25T DDUNR 11  DN..-1104.. 25 32 17 300 5072
S32T DDUNR 11 32 40 22 300 5693
S50U DDUNR 15-06 DN..-1506.. 50 63 35 350 8395