DNMM(13124) 2

DNMM(13124)

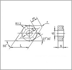
Пластина ромбической формы с углом 55 градусов, отверстием и стружколомающими канавками на одной стороне (ГОСТ 24256-80)

Сплавы: H10, H30, B35, T40, B25, T20, TC20HT, TC40PT

Справочная информация по сплавам КЗТС.

Описание
Цифровое обозначение d, мм d1, мм L, мм r, мм s, мм m, мм Обозначение буквенно-цифровое Цена р.
(без НДС)
13124-150408* 12.700 5.16 15.5 0.8 4.76 6.478 DNMM-150408* 73.51
13124-150608* 12.700 5.16 15.5 0.8 6.35 6.478 DNMM-150608* 96.33
13124-150612* 12.700 5.16 15.5 1.2 6.35 6.015 DNMM-150612* 96.33

 Цены сплава Н30

Информация о цене - справочная, не является офертой.