Пластины для обработки колесных пар и рельсов

BNUX 201540 TN

применяются для токарной обработки поверхности ...

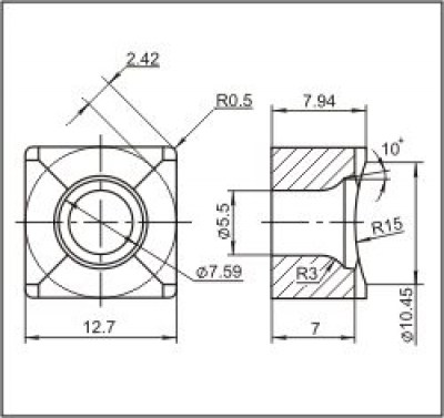
LNUX

применяются для токарной обработки железнодорожных колес ...

R 15/1

применяются для строгальной обработки железнодорожных рельс ...

R 250/1

применяются для строгальной обработки железнодорожных рельс ...

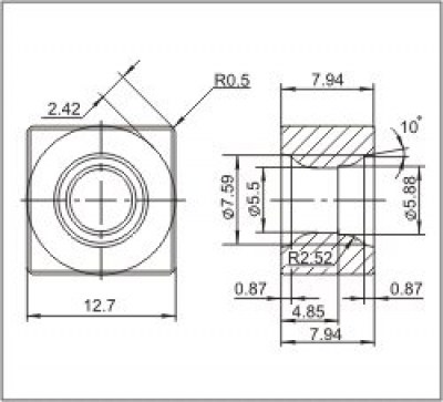
RCMM и ROUX

применяются для токарной обработки поверхности ...

RCMX

применяются для токарной обработки поверхности ...

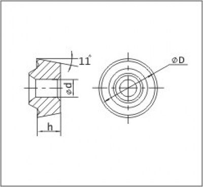
RNUX 1212 M0 TN

применяются для фрезерной обработки поверхности ...

RPUX

применяются для токарной обработки поверхности ...

SNEX 1207 AN-15H1

применяется для фрезерной обработки железодорожных ...

SNEX 1207 AN-H1

применяется для фрезерной обработки железодорожных ...

TNUN 381060 TN

применяются для токарной обработки поверхности ...

WCMX

применяются для сверления отверстий в железнодорожных ...

Страница 1 из 2