Твердосплавные пластины в Омске
Твердосплавные пластины
Пластины сменные
Токарные многогранные пластины
Фрезерные многогранные пластины
Опорные пластины
Обработка колесных пар и рельсов
Обработка фасок
Пластины напаиваемые
Токарные
Фрезерные
Для зенкеров, сверл, разверток
Державки
Для наружной обработки
Для внутренней обработки
Заготовки
Заготовки для монолитного инструмента
Плавиковый шпат
Плавиковошпатовый концентрат, марка ФФ-92
Раскрыть меню...
Скрыть меню
Sidebar
×
Главная
Заказать
Контакты
Каталоги
Каталоги КЗТС
Каталоги SECO
Применяемые сплавы
Техническая информация
Спецпредложение
Закупки
Пластины твердосплавные
Пластины сменные
Токарные многогранные пластины
Фрезерные многогранные пластины
Опорные пластины
Обработка колесных пар и рельсов
Обработка фасок
Пластины напаиваемые
Токарные
Фрезерные
Для зенкеров, сверл, разверток
Державки
Для наружной обработки
Для внутренней обработки
Заготовки
Заготовки для монолитного инструмента
Плавиковый шпат
Плавиковошпатовый концентрат, марка ФФ-92
Главная
Заказать
Контакты
Каталоги
Каталоги КЗТС
Каталоги SECO
Применяемые сплавы
Техническая информация
Спецпредложение
Закупки
Главная
Пластины для обработки колесных пар и рельсов
RPUX
форма 42
BNUX 201540 TN
Вернуться к: Пластины для обработки колесных пар и рельсов
RPUX
АО КЗТС
применяются для токарной обработки поверхности железнодорожных колес
Сплавы
КС-25, TP20AT, Т14K8, КС-35
Задайте вопрос по этому товару
Описание
Reviews
Описание
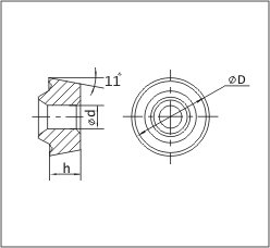
D, мм
d, мм
h, мм
Обозначение буквенно-цифровое
Цена р.
(без НДС)
27.8
10
9.5
RPUX 2709 M0TN
0
30.8
10
10.5
RPUX 3010 M0TN
0
Твердосплавные пластины, державки, фрезы.
Продукция АО "КЗТС"
Техническая информация
Каталоги производителей
Каталоги КЗТС, SECO.
Подбор сплава
Сплавы по производителям.
Документация
Документы, ГОСТы
Главная
Пластины для обработки колесных пар и рельсов
RPUX