Форма 01Д


применяется для дисковых дереворежущих пил (ГОСТ 13833-77)
Описание
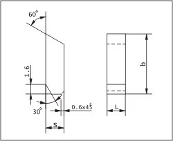
Название B, мм L, мм s, мм марка сплава Цена р.
(без НДС)
3001-0001 10 3.0 3.0 ВК6, ВК8, ВК15 6,46
3001-0002 10 3.5 3.0 ВК6, ВК8, ВК15 7,29
3001-0003 10 4.0 3.0 ВК6, ВК8, ВК15 8,08
3001-0004 10 4.5 3.0 ВК6, ВК8, ВК15 9,89
3001-0005 10 5.0 3.0 ВК6, ВК8, ВК15 10,91
3001-0006 10 5.5 3.0 ВК6, ВК8, ВК15 11,65
3001-0007 7 3.5 2.5 ВК6, ВК8, ВК15 4,84
3001-0008 7 4.5 2.5 ВК6, ВК8, ВК15 6,06
3001-0127 7 5.5 2.5 ВК6, ВК8, ВК15 8,08
3001-0128 10 6.0 3.0 ВК6, ВК60М, ВК8, ВК15 14,92
3001-0128/ 6,5 10 6,5 3,0 ВК6, ВК8, ВК15 16,07
3001-0128/ 7 10 7,0 3,0 ВК8, ВК15 18,76
3001-0128/ 8 10 8,0 3,0 ВК8, ВК15 21,37
3001-0128/ 9 10 9,0 3,0 ВК8, ВК15 23,62
3001-0128/10 10 10.0 3,0 ВК15 26,56

Информация о цене - справочная, не является офертой.