Тип 43

Пластины для желобных резцов

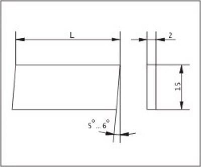
Тип 44

Пластины для фасочных резцов

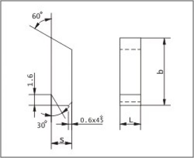
Тип 47

Пластины для токарных проходных и отрезных резцов к ...

Тип 48

Пластины для резцов при нарезании трапецеидальной резьбы

Тип 49

применяются для торцевых фрез. (ГОСТ 25423-90) Сплавы: ...

Тип 50

применяются для Т-образных фрез. (ГОСТ 25394-90) Сплавы: ...

Тип 51

Пластины применяются для прорезки канавок под сальниковые ...

Форма 01Д

применяется для дисковых дереворежущих пил (ГОСТ 13833-77)

Форма 04Д

применяется для ножей к насадным и цилиндрическим сборным ...

Форма 06Д

Сплав ВК8 Применяется для дереворежущих пазовых и ...

Форма 07Д

применяется для деревообработки, для ножей к сборным ...

форма 14

применяются для сверления отверстий в железнодорожных ...